-
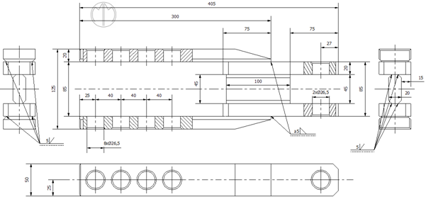
Forks are used to fasten frames in the KTL system
-
Complies with the provisions of the Machinery Directive: 2006/42/WE
-
Made according to the harmonized standard: PN-EN 13155
Marked on product: producers sign, sign CE, load capacity, factory number, year of production.


WLL [kg] |
Range of grabbing [mm] |
Weight [kg] |
2 000 |
- |
7,0 |
Product Details
3609
Write your review
Review sent
Your comment has been submitted and will be available once approved by a moderator.
Your review cannot be sent
In the same category













Product Comments
Your review appreciation cannot be sent
Report comment
Report sent
Your report cannot be sent